Modelo do Produto EKAC-T3180WB

Descrição do produto
MONITORE O CONSUMO DE ENERGIA EM TEMPO REAL
O Monitor de Energia Inteligente WiFi 80A com Sensor permite que você acompanhe o consumo de energia elétrica em tempo real, fornecendo dados precisos sobre tensão, corrente e potência. Ideal para monitoramento monofásico, este dispositivo é uma solução prática e eficaz para gerenciar seu consumo energético.
ALTA CAPACIDADE E PRECISÃO
Com capacidade para monitorar até 80A de carga, o Monitor de Energia EKAZA é projetado para atender a uma ampla gama de aplicações residenciais. O sensor de abraçadeira facilita a instalação e garante a precisão na leitura dos dados energéticos.
HISTÓRICO DETALHADO E MONITORAMENTO REMOTO
O histórico de consumo, detalhado por dia, mês e ano, permite que você identifique padrões de uso e tome decisões informadas para economizar energia. Além disso, você pode monitorar e receber notificações diretamente no seu smartphone, utilizando o aplicativo EKAZA.
FUNCIONALIDADES AVANÇADAS:
• Medidor de Energia Completo: Monitora tensão, corrente e potência em tempo real.
• Capacidade de 80A: Suporta cargas de até 80 amperes, ideal para diversos tipos de aparelhos e circuitos.
• Histórico de Consumo: Acesse dados de consumo detalhados e compreenda melhor seu uso de energia ao longo do tempo.
• Conexão Wi-Fi: Conecte-se facilmente à sua rede doméstica para acessar informações remotamente.
• Controle por Voz: Compatível com assistentes virtuais para consultas rápidas e práticas sobre seu consumo energético.
ESPECIFICAÇÕES:
• Modelo: EKAC-T3180WB
• Tensão: 100~240V AC, 50~60 Hz
• Corrente: 0,2~80A
• Fases Monitoradas: Monofásico
• Conexão: Wi-Fi 2.4GHz
• Distância: 100m (espaço aberto)
• Nível IP: IP20
• Anatel: CBU | 07871-21-11765
• Aplicativo: EKAZA
• Contém: 1 Unidade
• Validade: Indeterminada

CONECTIVIDADE:
• Conexão: Wi-Fi 2.4GHz
COMPATIBILIDADE COM ASSISTENTES VIRTUAIS:
• Alexa: Echo, Echo Dot, Echo Show
• Google Assistente: Nest, Nest Mini, Nest Hub
CONTEÚDO DA EMBALAGEM:
• 1x Monitor de Energia Inteligente WiFi 80A
• 1x Abraçadeira para Monitoramento
• 1x Manual
## Link do manual Monitor de Energia Inteligente WiFi 80A c/Sensor EKAC-T3180WB
## INSTALAÇÃO
**AVISO DE RISCO DE CHOQUE:**
ESTE EQUIPAMENTO SEGUE O CÓDIGO ELÉTRICO NACIONAL E REGULAÇÕES LOCAIS DO BRASIL (NBR5410).
**ESTE PROCEDIMENTO REQUER INSTALAÇÃO ELÉTRICA DE UM PROFISSIONAL.**
**CUIDADOS COM A INSTALAÇÃO:**
TODAS AS LIGAÇÕES E FONTES PRINCIPAIS DE ENERGIA (TODAS AS LIGAÇÕES ELÉTRICAS DE ENTRADA E SAÍDA) DEVEM SER FEITAS COM A ENERGIA DESLIGADAS, EVITANDO LESÕES AO PROFISSIONAL E DANOS AO APARELHO.
**IMPORTANTE:**
A CARGA MONITORADA NÃO DEVE EXCEDER 80A.

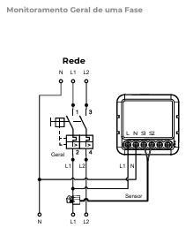
**Passo 1:**
Desligue o disjuntor e use o testador elétrico para identificar o fio fase e conferir se a energia foi desligada. Certifique-se de que o interruptor esteja desligado antes de conectar a fiação.
**Passo 2:**
* Siga o diagrama de fiação para conectar os fios do interruptor aos fios na caixa de parede com os condutores de fio.
* Use a abraçadeira do sensor na fase que deseja monitorar.


**Passo 3 (Energizar):**
Confira se a instalação está correta e ligue a energia novamente no disjuntor.
## PREPARAÇÃO (APP EKAZA)
1. **Registre ou faça o login na conta EKAZA:**
* Baixe o aplicativo EKAZA na App Store ou Google Play.

2. **Configure o APP para o interruptor:**
* Certifique-se de que o interruptor foi conectado com eletricidade.
* Certifique-se de que seu celular foi conectado ao Wi-Fi e é capaz de se conectar à Internet.
3. **ATIVE O BLUETOOTH (no celular):**
Verificar de que seu smartphone está com Bluetooth ativado.

## ADICIONANDO NO APLICATIVO
1. **Modo de Emparelhamento:**
Pressione a tecla reset no módulo por cerca de 10 segundos até a luz indicadora dentro do módulo esteja piscando rapidamente para emparelhamento.

2. **Adicionar Dispositivo no App:**
Em seu smartphone, toque no botão **"+"** no canto superior direito. Em seguida toque em **"Adicionar Dispositivo"**.

3. **Detecção Automática:**
O produto aparecerá automaticamente, toque em **"Adicionar"**.
4. **Configuração Wi-Fi:**
Entre com sua rede Wi-Fi. Em seguida, toque em **"Próximo"**. Espere alguns segundos até o dispositivo configurar, pronto seu dispositivo está adicionado.

5. **Conclusão:**
Espere alguns segundos até o dispositivo configurar, toque em **"concluído"**, pronto seu dispositivo está adicionado.

## FUNÇÕES (No App EKAZA)
* **Monitoramento:** Monitore a Tensão, corrente e Potência em tempo real, com Histórico de consumo.
* **Estatísticas da Eletricidade:** Histórico de consumo, diário, mensal e anual.
* **Configurações:** Defina alertas para notificação.

Obtenha um histórico do consumo de energia que está sendo transmitida pela fase monitorada e tenha uma melhor avaliação do desempenho da sua rede.
Configure um limite de potência e ative os alertas para ser notificado quando houver anormalidade na sua rede monitorada.

## CONECTAR - AMAZON ALEXA
1. Inicie o Aplicativo **EKAZA**, faça login na sua conta e verifique se o interruptor Mini (refere-se ao módulo de 3 canais) está na lista de dispositivos.
2. Altere o nome do dispositivo para que Alexa possa facilmente reconhecer, tais como: "Monitor da Cozinha", "Consumo Geral", etc.
3. Minimize o aplicativo **EKAZA**, depois abra o aplicativo Alexa e entre na sua conta Alexa, e certifique-se de ter pelo menos um dispositivo Alexa controlado por voz instalado como Echo, Echo dot, etc.

4. No canto inferior direito da Página inicial do App Alexa, clique no botão **"Mais"** para mostrar o menu. Em seguida, clique **"Skills e jogos"**.
5. Digite **"Ekaza"** na pesquisa e clique no App Ekaza (ou ícone da empresa).
6. Ative o Ekaza para uso.

## CONECTAR - GOOGLE ASSISTENTE
1. Inicie o aplicativo **Google Home** e verifique se o Google Home Speaker está instalado. Caso contrário, siga as instruções de instalação do alto-falante doméstico do Google para concluir a instalação.
2. Quando o Google Home estiver instalado, no canto superior esquerdo da página inicial do aplicativo, clique no botão **"+" (Adicionar)**.
3. Selecione a página **"Configurar dispositivo"**. Logo após selecione **"Você já tem serviços configurados?"**. Role para baixo até encontrar **"EKAZA"** e clique nele. Faça login no EKAZA App com sua conta.

4. Após vincular com êxito a conta, no aplicativo Google Home, você pode ver todos os dispositivos inteligentes da sua conta do **EKAZA**. Você pode atribuir cenas para cada dispositivo.
5. Agora você pode usar o Google Home para controlar seus dispositivos inteligentes (ex: obter informações de consumo, se suportado pela skill), você pode dizer como:
*(Exemplo de comandos de voz, dependendo da funcionalidade da skill)*
* "Ok Google, qual o consumo da cozinha?"

Este artigo foi útil?
Que bom!
Obrigado pelo seu feedback
Desculpe! Não conseguimos ajudar você
Obrigado pelo seu feedback
Feedback enviado
Agradecemos seu esforço e tentaremos corrigir o artigo